Nové produkty
HYDRAULICKÁ JEDNOTKA -RHA- 25lit PRO PŘEPRAVU STÁJE
Kód produktu:
20576
OEM:
9990000048670
Sazba daně
22 %
Cena bez DPH:
16.463,48 CZK
Cena s DPH:
20.085,45 CZK
Ref:
6
Popis:
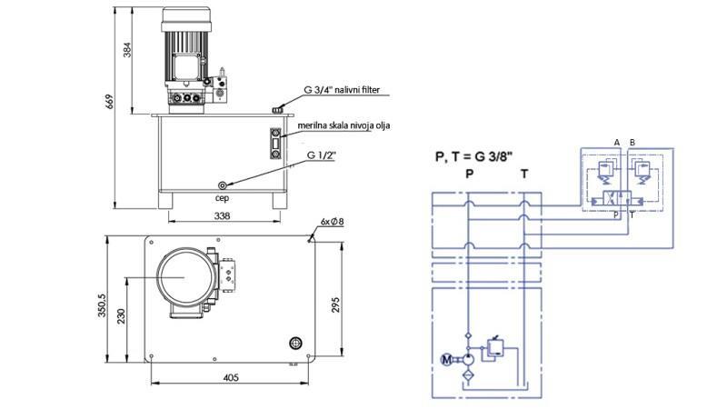
Hydraulická jednotka pro přepravu stáje je samostatná jednotka, která generuje hydraulický tlak pomocí elektrického motoru pro pohon přepravníku stáje.
Výkon motoru:
4kW
průtok čerpadla:
8 cc
souhrnný průtok:
12 l/min
objem nádrže:
25 litrů
max. pracovní tlak:
120 bar
ventil:
RHA - krátký ventil
Vrátit nebo vyměnit:
není možné
Otáčky:
1500 ot/min
Napětí:
380V






