Uudet tuotteet
ILMAJARRUSYLINTERI - KALVO 100 MM
Tuotekoodi:
13647
OEM:
9990000099726
Verokanta
22 %
Hinta ilman ALV:tä:
52,46 EUR
Hinta ALV:n kanssa:
64,00 EUR
Ref:
15
KUVAUS:
Yleinen mäntäjarrusylinteri, joka on suunniteltu pneumaattista jarrutusta varten. Sitä käytetään maatalous-, puutarha-, metsätalous- ja rakennusperävaunuissa, kuorma-autoissa, levittimissä, lietteen kuljetusautoissa, ruiskuttimissa ja muissa laitteissa, joilla on pneumaattinen jarrujärjestelmä.
Yhteensopiva perävaunujen kanssa :
Tehnostroj, DAF, Krone, Scania, RVI, MB, MAN, Autosan Sanok: D-35 , D-47 , D-50 D-732 , HL 8011 , HL 6011.
Toimittaja:
Puola
Palautus tai vaihto:
14 päivää
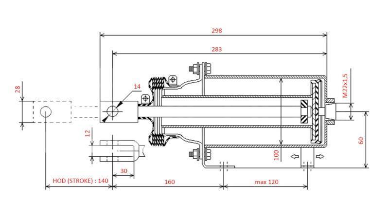
asennusreiän etäisyysmitat:
120 mm / fi 13 mm
Tuotteen paino:
3.050 kg
Takuu:
6 kuukautta
Kierre:
M22x1.5
halkaisija:
100 mm
cylindrin isku:
140 mm







