Jauni produkti
ROKTU VĀRSTS HIDRAULISKAM MOTORAM MS CIEŠA CENTRA - 50LIT
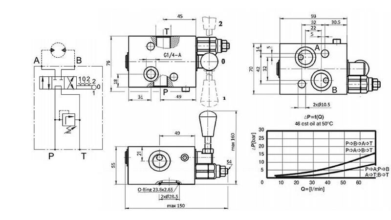
Apraksts:
Roktu vārsts ir uzstādīts tieši uz hidrauliskā motora un kalpo, lai to kontrolētu tieši uz hidrauliskā motora.
Vārsta sviras ļauj ieslēgt un izslēgt, kā arī mainīt hidrauliskā motora rotācijas virzienu.
Vārsts 'CIEŠA CENTRA'- Neitrālajā pozīcijā hidrauliskais motors netiek griezts. Tas nav hidrauliski darbināts, bet hidrauliskā motora ass var griezties ar savu inerci vai slodzes inerci.
To visbiežāk izmanto lietojumos, kur mēs vēlamies, lai piedziņa apstātos ar slodzes inerci vai ir iespēja pašgriešanai - hidrauliskais motors.
Vārsts 'ATVĒRTA CENTRA'- Neitrālajā pozīcijā hidrauliskais motors tiek griezts, kas nozīmē, ka slodzes inerci to nevar griezt.
To visbiežāk izmanto lietojumos, kur mēs vēlamies, lai piedziņa apstātos nekavējoties un paliktu nekustīga pēc tam, kad piedziņa - hidrauliskais motors ir izslēgts.






