New Products
HAND VALVE FOR HYDRAULIC MOTOR MS OPEN CENTER - 50LIT
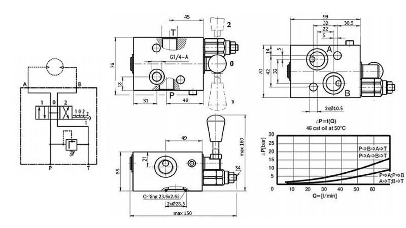
Description:
The manual valve is mounted directly on the hydraulic motor and serves to control it directly on the hydraulic motor.
The valve lever allows for turning on and off as well as changing the direction of rotation of the hydraulic motor.
Valve 'OPEN CENTER'- In the neutral position, the hydraulic motor is not rotated. It is not hydraulically driven, but the shaft of the hydraulic motor can rotate with its own inertia or the inertia of the load.
It is most commonly used in applications where we want the drive to stop with the inertia of the load or have the possibility of self-rotation of the drive - hydraulic motor.
Valve 'CLOSE CENTER'- In the neutral position, the hydraulic motor is rotated, which means that the inertia of the load cannot rotate it either.
It is most commonly used in applications where we want the drive to stop immediately and remain stationary after the drive - hydraulic motor is turned off.






