Produse Noi
VANĂ HIDRAULICĂ 1XZ80 + B1 CU ACȚIUNE SINGULARĂ
Descriere generală:
Vana hidraulică manuală sau mecanică Р80 este concepută pentru distribuția și controlul fluxului de lucru între pompa hidraulică și consumatori (cilindri, motoare hidraulice…).
Vanele hidraulice sunt utilizate pentru diverse scopuri în agricultură, industrie, construcții etc. pentru controlul:
- cilindrilor cu acțiune singulară
- cilindrilor cu acțiune dublă
- motoarelor hidraulice
- funcțiilor flotante (pentru plug)
- joysticks (sus-jos, stânga-dreapta)
Acestea sunt asamblate într-un bloc de la 1 la 6 manete.
Funcționare:
Toate vanele hidraulice sunt echipate cu o vană de siguranță. În poziția neutră (maneta în mijloc), uleiul circulă prin vană. Când maneta este mutată într-o parte sau alta, vana hidraulică determină mișcarea cilindrului sau rotația motorului hidraulic într-o direcție sau alta. După eliberarea manetei, aceasta revine automat în poziția neutră, motorul hidraulic sau cilindrul se oprește în poziția curentă, iar uleiul circulă din nou prin vană. Este posibil să se utilizeze un element denumit 'centru închis', care schimbă vana astfel încât în poziția neutră uleiul să nu circule prin vană sau o astfel de vană să nu mai fie curentă. Atunci când se utilizează sau se conectează alte vani, este necesar să se folosească elementul 'carry over', care permite alimentarea cu ulei pentru alte vani.
Pentru vanele cu spindelă pentru funcția flotantă, aceasta permite cilindrului un flux liber de ulei, ceea ce înseamnă că cilindrul se mișcă liber (sau plugul de zăpadă se adaptează la teren).
Vanele cu spindelă pentru cilindri cu acțiune singulară sunt destinate cilindrilor cu acțiune singulară.
Construcție:
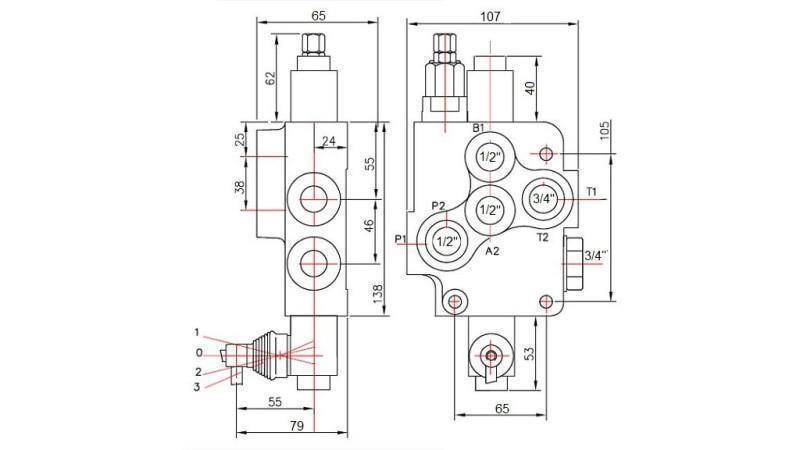
Р80 este o vană de distribuție monobloc. Este fabricată din fontă EN-GJL300. Spindele sunt fabricate din oțel carbon și sunt placate cu crom dur.
Conexiuni:
Spindela este prinsă cu două șuruburi M8.







