Nya produkter
PMRV-75 VÄXELLÅDA FÖR ELEKTRISK MOTOR MS100 (2.2-3-4KW) FÖRHÅLLANDE 7.5:1
Produktkod:
13281
OEM:
9990000092772
Skattesats
22 %
Pris utan moms:
1.524,71 SEK
Pris med moms:
1.860,14 SEK
Ref:
4
Tilläggsbeskrivning:
| elektrisk motor | växellåda | utgångsmoment M2 [Nm] | säkerhetsfaktor - SF |
|---|---|---|---|
| 2.2kW (MS100) | RV-75 | 99 | 1.8 |
| 3kW(MS100) | 135 | 1.3 | |
| 4kW(MS100) | 180 | 1.0 |
Beskrivning:
PMRV växellådor används i kombination med elektriska motorer.
Växellådan reducerar varven på den elektriska motorn till det värde vi vill arbeta med. Växellådor har olika förhållanden 7.5:1 - 10:1 - 20:1 - 40:1.
När du installerar växellådan, se alltid till att:
- data på namnskylten matchar data för den beställda artikeln
- höljet och axlarna är rena och oskadade
- ytan som växellådan är fäst vid är plan och tillräckligt stark
- växellådan och axeln på den elektriska motorn passar bra
- om det finns möjlighet till vibrationer eller fastkörning, måste en momentbegränsare installeras
- roterande delar är täckta med plastskydd
- enheten som används utomhus måste vara lämpligt väderskyddad
- driftsförhållanden orsakar inte korrosion (om inte tidigare överenskommet och växellådan och den elektriska motorn är korrekt förberedda)
- växlar, axelväxlar, in-/utgångsaxlar är ordentligt säkrade för att undvika radiala eller axiala laster som inte överskrider den maximala tillåtna gränsen
- alla kopplingar är belagda med korrosionsskyddande material för att förhindra oxidation vid kontakt
- alla fästelement måste vara ordentligt åtdragna
Alla beräkningar baseras på elektriska motorer med 1400 varv. Om du använder en elektrisk motor med en annan hastighet än 1400 varv per minut, dela ingångsvarven med växellådans förhållande för att få utgångsvarven.
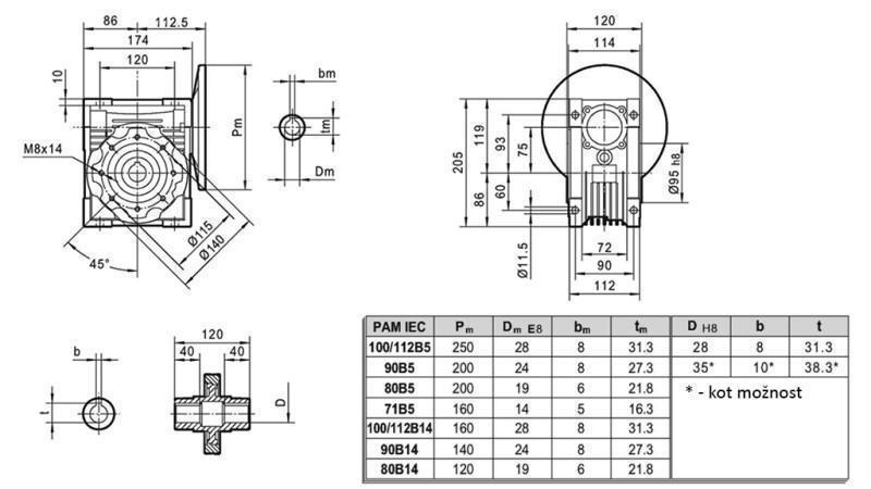
Mer teknisk data finns i bilagan 'DIMENSIONER - DATARK'.
Leverantör:
Polen
Retur eller byte:
14 dagar
Förhållande:
7.5 : 1
Produktvikt:
9 kg
Utgång RPM:
187 varv/min
Garanti:
1 år
inmatningsvarv av den elektriska motorn:
1400 rpm







